Tulikivi KINOS TBH
Rozpětí cen: 80.931 Kč až 84.785 Kč s DPH
Barva: TBH, Rigata, Grafia, Nobile
– Saunová kamna na dřevo Tulikivi KINOS
Popis
Kamna na dřevo Tulikivi KINOS 20 S1 jsou kamna pro klasické ruské lázně o objemu 8 – 20 metrů krychlových. Opláštění pece z přírodního přírodního kamene v poměru k zátěži 60 kg různých kamenů umožňuje vydávat měkké, příjemné teplo, které je u běžných kovových pecí prakticky nemožné.
Ideální podmínky ruské lázně, měkké, příjemné teplo a velké množství páry získávané z kamenů umožňuje kompaktní a kvalitní kamna KINOS 20 S1 od finského výrobce Tulikivi.
Přednosti kamen Tulikivi KINOS 20 S1 jsou:
- Obklad kamen je vyroben z přírodního talkomagnezitového kamene. Hlavní vlastností talkomagnezitu je jeho vysoká tepelná kapacita, která umožňuje kameni rychle akumulovat velké množství tepla a dlouhodobě ho vyzařovat.
- Průměrná hmotnost kamene je 60 kg. umožňuje získat velké množství dobré páry při lití kamenů.
- Kamna mají vzdálený palivový kanál a velká prosklená panoramatická dvířka, která vám umožní obdivovat jazyky plamenů uvnitř topeniště při pobytu v toaleta.
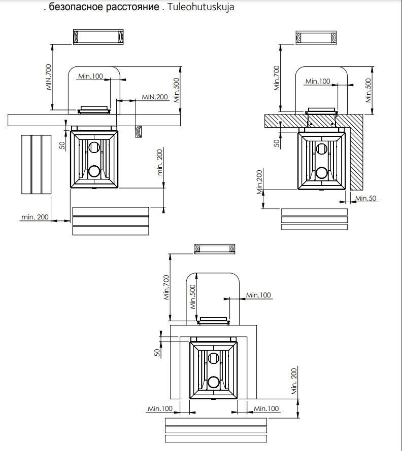
- Kompaktní rozměry a snadná instalace vám umožní nainstalovat kamna na jakékoli vhodné místo ve vaší parní místnosti.
Další informace
| Barva | TBH, GRAFIA, NOBILE, RIGATA |
|---|

































































Recenze
Zatím zde nejsou žádné recenze.